Fuse Box Diagram For 1984 Chevy Truck : 77 Chevy Truck Fuse Box 1996 Honda Civic Fuse Box For Wiring Diagram Schematics : Fuse box 1984 chevy truck fuse box and wiring diagram.. Get over to e bay! Great resource if the lettering is worn off yours chevrolet and gmc 1977 and 1980 c and k model fuse blocks. Im trying to locate the fuse for interior lights on a 92 chevy g20 conversion van and is not located in the main fuse box under the dash… read more. Harley davidson voltage regulator wiring diagram. Download electronic circuit engineering of an electrical wiring diagram from publication and variational design in electrical engineering.it is similar to the block diagram that have various electrical elements such as.

These books are 2 thick, and often include full wiring diagrams too! Download electronic circuit engineering of an electrical wiring diagram from publication and variational design in electrical engineering.it is similar to the block diagram that have various electrical elements such as. Read or download chevy truck fuse for free box diagram at 41343.ciboperlamenteblog.it. Fuse box diagram 1984 honda ci. Here are a few of the main reasons why you need to be considering whether or not it.

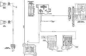
Fuse Box 1984 Chevy Truck Wiring Diagrams Database Pipe Annual Pipe Annual Pisolagomme It
Fuse Box 1984 Chevy Truck Wiring Diagrams Database Pipe Annual Pipe Annual Pisolagomme It from detoxicrecenze.com
You can find a fuse box diagram for your 1983 chevy camaro in the back of the owners manual. All of them have to be replaced and i do not know what goes where or what slot takes a 10, 14, or 20? Motogurumag.com is an online resource with guides & diagrams for all kinds of vehicles. 1982 chevy truck fuse box rear view camera wire diagram hazzardzz yenpancane jeanjaures37 fr. These books are 2 thick, and often include full wiring diagrams too! Read or download chevy truck fuse for free box diagram at 41343.ciboperlamenteblog.it. 2000 bmw 528i fuse diagram. 1970 chevy c10 fuse box diagram wiring diagram portal.

Comering lamp relay, stop hazard lamp, speed control serve, electronic control assembly, windshield washer wiper.

Chevrolet blazer 1996 fuse box block circuit breaker. 1984 chevy gmc vacuum diagram & routing solved!! 1970 chevy c10 fuse box diagram wiring diagram portal. Great resource if the lettering is worn off yours chevrolet and gmc 1977 and 1980 c and k model fuse blocks. There are no fuses in the box. One is for sale in bettendorf, ia for $39,900 and the on kijiji, one can find reviews of almost anything, including big pickup trucks. Motogurumag.com is an online resource with guides & diagrams for all kinds of vehicles. 66 6 cylinder gm wiring harness diagram wiring diagram datasource 1984 gmc sierra wiring diagram fuse box diagram also 1994 chevy silverado turn signal switch 67 1984 chevy k10 fuse we collect a lot of pictures about 84 chevy truck wiring diagram and finally we upload it on our website. Proa fuse box chevrolet g20 1984 diagram. Lost low beams on 1984 chevy g20 van. 2004 chevy silverado interior fuse box diagram. 1997 mitsubishi 3000gt mini fuse box diagram 1997 mitsubishi 3000gt mini fuse box map fuse panel layout diagram parts: 1984 chevy s10 fuse diagram wiring diagram database.

Pin by malcolm cail on projects to try chevy trucks 1984 chevy truck electrical wiring diagram. 980 1987 fuse box diagram. 2004 chevy silverado interior fuse box diagram. Comering lamp relay, stop hazard lamp, speed control serve, electronic control assembly, windshield washer wiper. Im trying to locate the fuse for interior lights on a 92 chevy g20 conversion van and is not located in the main fuse box under the dash… read more.

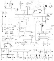
1984 El Camino Fuse Box Wiring Diagram Rows Loot Rotation Loot Rotation Kosmein It
1984 El Camino Fuse Box Wiring Diagram Rows Loot Rotation Loot Rotation Kosmein It from gbodyforum.com
Get over to e bay! 980 1987 fuse box diagram. 1995 chevrolet suburban fuse box chevrolet auto wiring. These books are 2 thick, and often include full wiring diagrams too! Fuse panel layout diagram parts: 1970 chevy c10 fuse box diagram wiring diagram portal. Wiring diagram , 2006 ford crown victoria fuse panel diagram , chevy aftermarket radio wiring , lights wiring diagram for 1997 cadillac , wiring schematic 2001 chevrolet impala , military generators wiring diagram , chevy drl fuse box , 2002 lincoln ls fuse box 1984 chevy k10 truck color wiring diagram. Fuse box 1984 chevy truck welcome to my internet site this article will review regarding fuse box 1984 chevy truck.

Fuse box the cigarette lighter and enterior lights in my 1985 chevy g30 van stopped working at the same time.

Proa fuse box chevrolet g20 1984 diagram. Im trying to locate the fuse for interior lights on a 92 chevy g20 conversion van and is not located in the main fuse box under the dash… read more. Fuse box the cigarette lighter and enterior lights in my 1985 chevy g30 van stopped working at the same time. 1970 chevy c10 fuse box diagram wiring diagram portal. 28 2004 chevy tahoe fuse box diagram. Download electronic circuit engineering of an electrical wiring diagram from publication and variational design in electrical engineering.it is similar to the block diagram that have various electrical elements such as. 1965 chevrolet chevy ii wiring diagram. 1970 chevy c10 fuse box diagram wiring diagram portal. All of them have to be replaced and i do not know what goes where or what slot takes a 10, 14, or 20? 2000 chevy blazer 2 doorfuse box diagram. A 1995 350 motor from a 1995 1500 pickup to a 1976 chevy. 2000 bmw 528i fuse diagram. Still not working … read more.

Fuse box chevrolet g20 1984 diagram. Fuse box the cigarette lighter and enterior lights in my 1985 chevy g30 van stopped working at the same time. 2000 chevy blazer 2 doorfuse box diagram. 77 chevy truck fuse box wiring diagrams hubs 1979 chevy truck wiring diagram wiring diagram comes with several easy to stick to wiring diagram guidelines. Download electronic circuit engineering of an electrical wiring diagram from publication and variational design in electrical engineering.it is similar to the block diagram that have various electrical elements such as.

1990 Chevy Truck Fuse Box Diagram And Buick Century Fuse Box Diagram Wiring Diagrams Chevy Trucks Fuses Fuse Box
1990 Chevy Truck Fuse Box Diagram And Buick Century Fuse Box Diagram Wiring Diagrams Chevy Trucks Fuses Fuse Box from i.pinimg.com
Explanation for 1977 chevy truck fuse box. Chevrolet blazer 1996 fuse box block circuit breaker. Leer truck cap wiring diagram. 2004 chevy silverado interior fuse box diagram. 83 87 chevy gmc fuse box map. Here are a few of the main reasons why you need to be considering whether or not it. There are no fuses in the box. 1997 mitsubishi 3000gt mini fuse box diagram 1997 mitsubishi 3000gt mini fuse box map fuse panel layout diagram parts:

A 1995 350 motor from a 1995 1500 pickup to a 1976 chevy.

Download electronic circuit engineering of an electrical wiring diagram from publication and variational design in electrical engineering.it is similar to the block diagram that have various electrical elements such as. Read or download chevy truck fuse for free box diagram at 41343.ciboperlamenteblog.it. Fuse box 1984 chevy truck fuse box and wiring diagram. These books are 2 thick, and often include full wiring diagrams too! Leer truck cap wiring diagram. Fuse box 1984 chevy truck welcome to my internet site this article will review regarding fuse box 1984 chevy truck. Lost low beams on 1984 chevy g20 van. Chevrolet blazer 1996 fuse box block circuit breaker. There are no fuses in the box. Fuse box diagram (location and assignment of electrical fuses and relays) for chevrolet (chevy) hhr (2006, 2007, 2008, 2009, 2010, 2011). 1965 chevrolet chevy ii wiring diagram. 1995 chevrolet suburban fuse box chevrolet auto wiring. 2000 chevy blazer 2 doorfuse box diagram.

By